The content is under development, the final version will be as soon as possible.
Download related documents from the Github repository
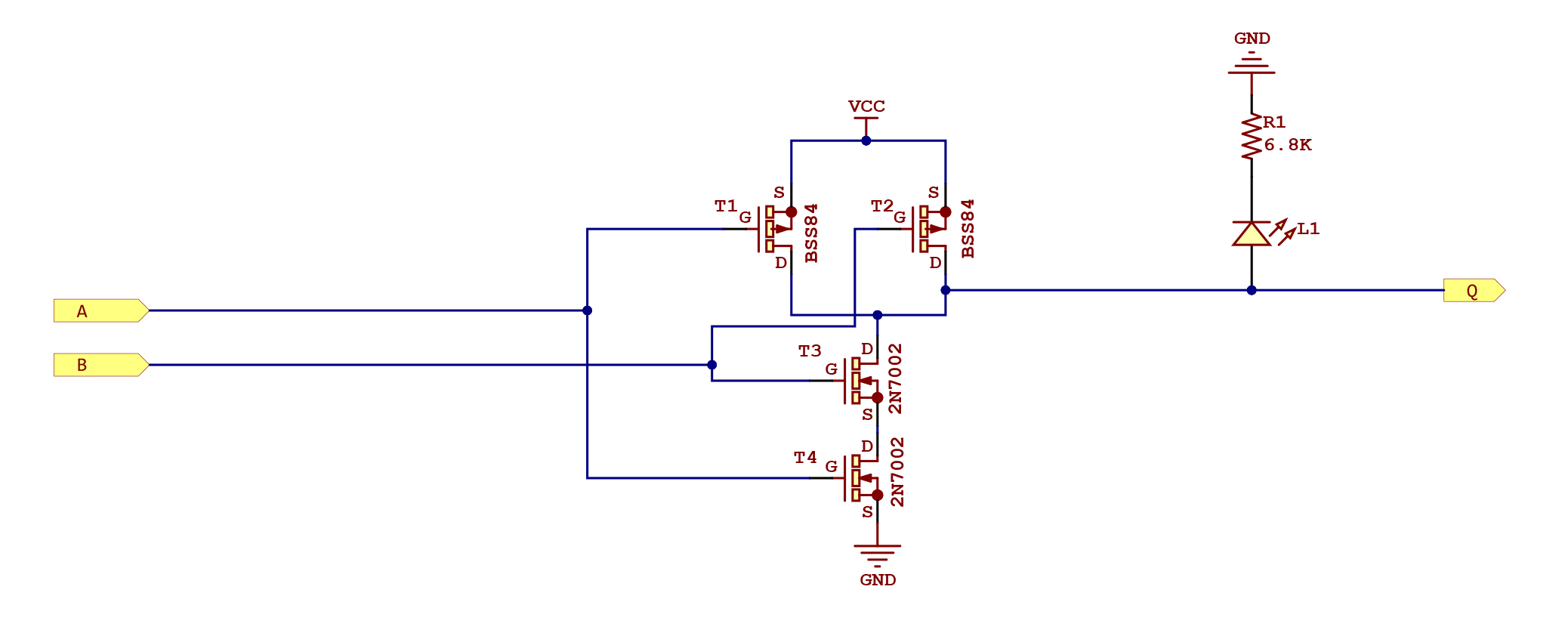
A NAND gate built with 4 CMOS transistors
The content is under development, the final version will be as soon as possible.
Download related documents from the Github repository