myLogic: XNOR gate

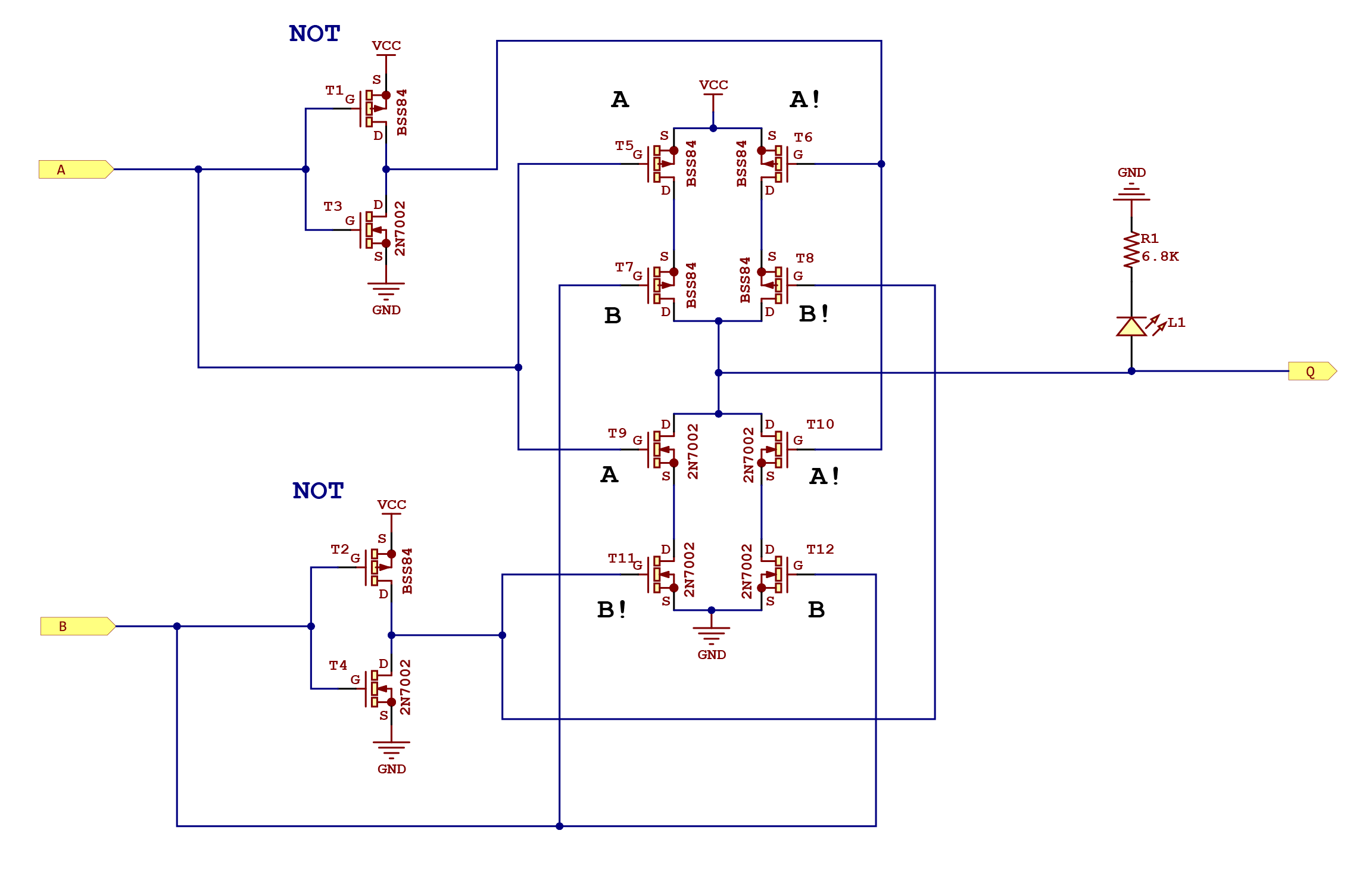
A XNOR gate built with 12 CMOS transistors

The content is under development, the final version will be as soon as possible.

XNOR gate module
XNOR gate module
XNOR gate schematic
XNOR gate schematic