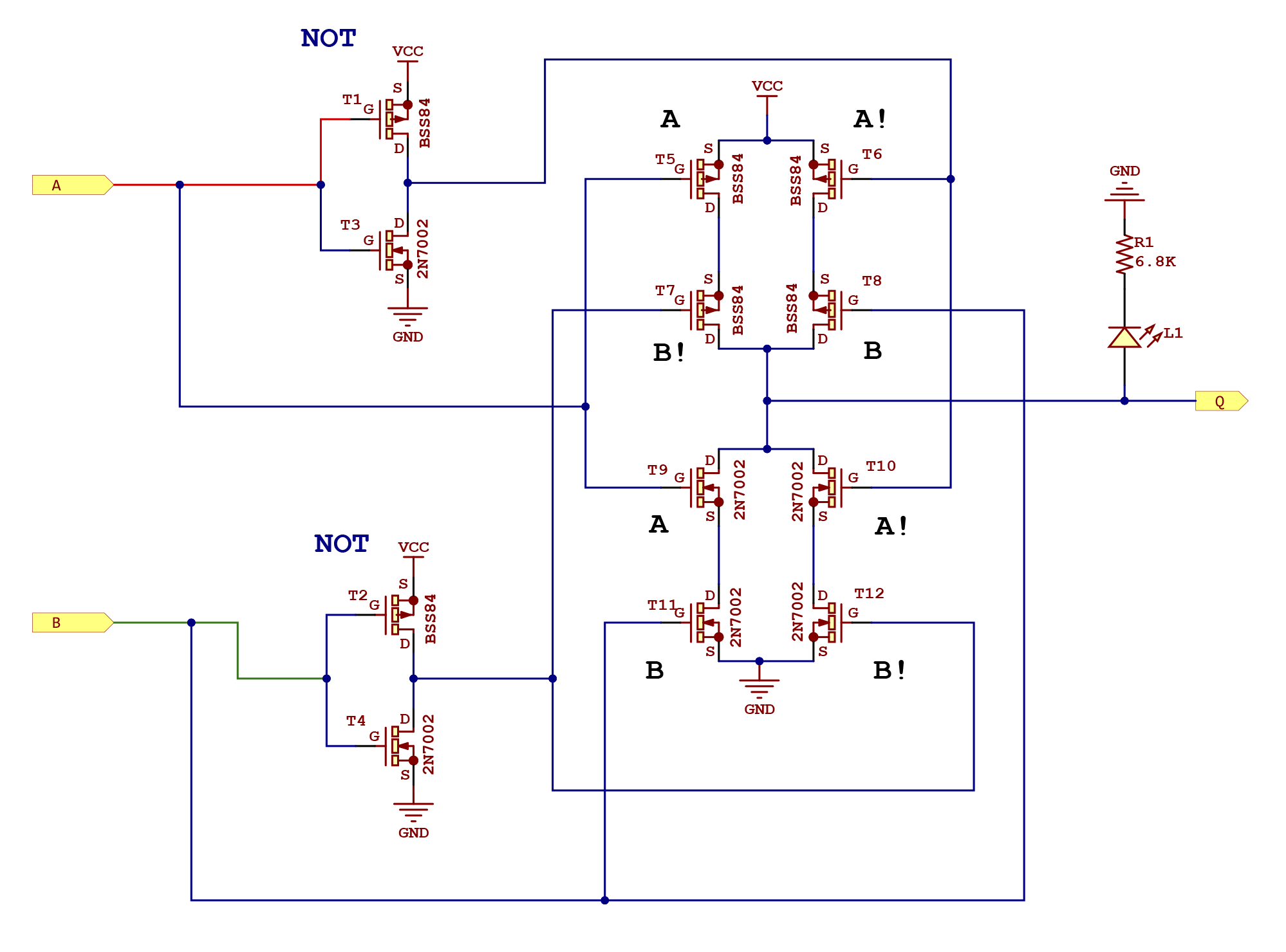
myLogic: XOR gate

A XOR gate built with 12 CMOS transistors

The content is under development, the final version will be as soon as possible.

XOR gate module
XOR gate module
XOR gate schematic
XOR gate schematic