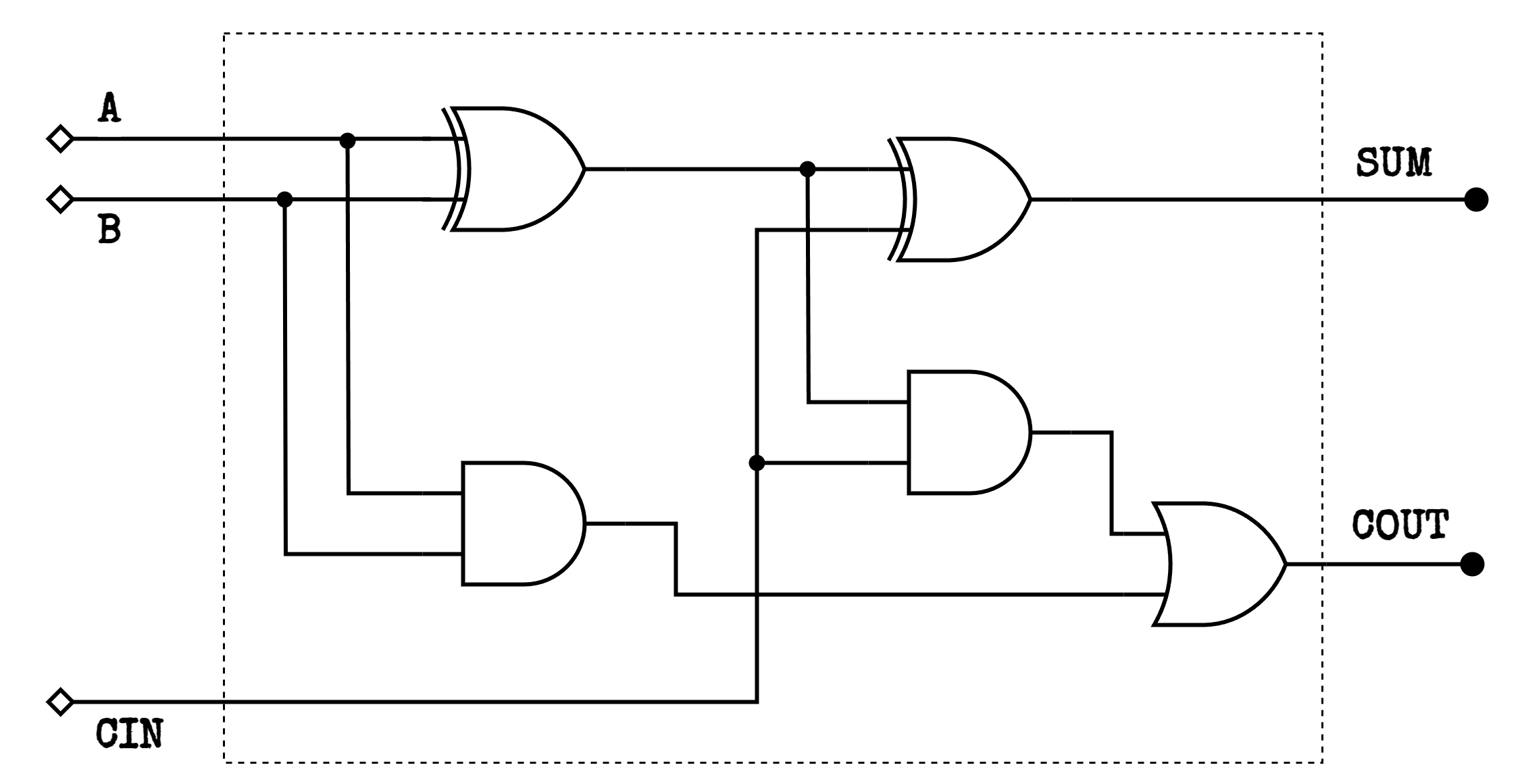
myLogic: Full Adder (XOR)

Prototype of Full Adder (with Carry) using XOR gates

The content is under development, the final version will be as soon as possible.

Related myLogic modules: XOR gate, AND gate, OR gate

Prototype diagram
Full Adder using XOR gates
Full Adder (with Carry) breadboard
Full Adder (with Carry) breadboard